Wuxi Qianqiao Chemical Machinery Co., Ltd.

Glass Lined Equipment Manufacturer

  • 
  • Home
  • Products+
  • About Us+
    • Company Profile
    • Our Advantages
    • Case Studies
    • Certificates
    • Knowhow
    • News
  • Applications+
    • Chemical
    • Pharmaceutical
    • Food & Beverage
    • Agricultural
    • Bioprocess
  • Service
  • Contact

Glass Lined Chemical Processing Equipment

  • Home
  • Products
  • Glass Lined Valve
  • Glass Lined Bottom Outlet Valve, Manual Drain
Glass Lined Bottom Outlet Valve, Manual Drain

Glass Lined Bottom Outlet Valve, Manual Drain

This glass lined bottom outlet valve adopts gap-free design, the tight assembling of packing seal and valve core can significantly reduce the chance of leakage. These glass lined valves can be equipped with temperature sensor, allowing for accurate measuring of material temperature. This manually operated bottom outlet valve uses hand wheel to open and close.

Request a Quote
Glass Lined Bottom Outlet Valve, Manual Drain
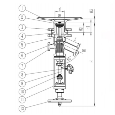
  • reaction vessel
  • valve core
  • loose flange
  • valve seat
  • valve body
  • cleansing opening
  • corrugated packing
  • valve rod
  • thermal resistance
  • coupler
  • pneumatic cylinder actuator
  • handwheel
  • Working temperature -19℃ to 200℃ (resistance to thermal shock less than 120℃)
  • Working pressure -0.1MPa to 1.0MPa
  • Working environment inorganic acid, organic acid, weak alkaline solution, and organic solution; better performance than the stainless steel in highly corrosive medium like saline acid, phosphoric acid, and aqua regia; avoid any fluids containing fluorine ions like hydrofluoric acid, strong bases, and strong phosphoric acid with the temperature ≥180℃.
Technical Data
DN/DN1 H H1 H2 H2 L d
80/50 690 70 52 35 145 79-83
100/80 730 80 60 180 99-103
150/100 745 100 72 200 150-154
Get in Touch

Questions? We are here to help.

  • Glass Lined Reactor
  • SiC Heat Exchanger
  • Glass Lined Wiped Film Evaporator (WFE)
  • Glass Lined Plate Condenser
  • Glass Lined Column
  • Glass Lined Piping
  • Glass Lined Valve
    1. Glass Lined Bottom Outlet Valve, Automatic Drain
    2. Glass Lined Bottom Outlet Valve, Manual Drain
  • Glass Lined Stainless Steel Manhole Cover
Related Solutions & Products
    1. Glass Lined Valve
    2. Glass Lined Valve
    1. Glass Lined Piping
    2. Glass Lined Piping
    1. Glass Lined Column
    2. Glass Lined Column
    1. Glass Lined Plate Condenser
    2. Glass Lined Plate Condenser
Wuxi Qianqiao Chemical Machinery Co., Ltd.

Qianqiao is an expert company specialized in manufacturing and providing chemical process equipment and glass lined equipment. We offer a full range of products and services for glass lined chemical processing equipment including piping systems, chemical reactors, industrial valves, heat exchangers and other glass lined steel equipment in chemical process industry.

Products
  • Glass Lined Reactor
  • SiC Heat Exchanger
  • Glass Lined Wiped Film Evaporator (WFE)
  • Glass Lined Plate Condenser
  • Glass Lined Column
  • Glass Lined Piping
  • Glass Lined Valve
  • Glass Lined Stainless Steel Manhole Cover
Quick Links
  • About Us
  • Our Advantages
  • Case Studies
  • Certificates
  • Knowhow
  • Applications
  • Service
Contact Us
No.2 Weiye Road, Huishan District, Wuxi, Jiangsu Province, China
Mr. Zhou Ke
13806190619@139.com
+86-13806190619
+86-510-83212521
Supported by ETW International Inc. USA